Full Adder
1. Pengertian
Full Adder adalah sebuah rangkaian digital yang melaksanakan operasi penjumlahan aritmetika dari 3 bit input. Full adder terdiri dari 3 buah input dan 2 buah output. Variabel input dari Full adder dinyatakan oleh variabel A, B dan C in. Dua dari variabel input ( A dan B ) mewakili 2 bit signifikan yang akan ditambahkan, input ketiga, yaitu C mewakili Carry dari posisi yang lebih rendah. Kedua output dinyatakan dengan simbol S (Sum) dan Cn (Carry).
Rangkaian Full-Adder, pada prinsipnya bekerja seperti Half-Adder, tetapi mampu menampung bilangan Carry dari hasil penjumlahan sebelumnya. Jadi jumlah inputnya ada 3: A, B dan Ci, sementara bagian output ada 2: S dan Co. Ci ini dipakai untuk menampung bit Carry dari penjumlahan sebelumnya.
Rangkaian dari n buah Full-Adder bisa dipakai untuk menjumlahkan n bit bilangan biner. Maka dalam hal ini, kita akan memperoleh rangkaian yang disebut Ripple-Carry-Adder.
Full Adder adalah suatu system penjumlahan lengkap dimana system ini dapat di gunakan untuk menambahkan tiga buah angka biner misalnya : 0 + 0 + 1 + 1 + 0 + 1 dan sebagainya,dan dapat mengolah CARRY-nya tempat bit sebelumnya.
Full Adder adalah penjumlahan penuh dimana 3 buah input ( A B C )atau lebih dengan 2 buah output, dimana Sum ( S ) dan Carry ( Cn ). Full adder biasanya dapat menjumlahkan banyak bilangan biner dimana 8, 16, 32, dan jumlah bit biner lainnya. Pada Sum digunakan gerbang logika Ex-OR dan pada carry digunakan gerbang logika AND dan menggunakan gerbang logika OR untuk menjumlahkan tiap-tiap carry.
2. Tabel Kebenaran
FULL ADDER mempunyai tiga input.Rangkaian di bawah ini menunjukan rangkaian FULL ADDER yang disertai dengan truth tablenya.
| BARIS KE | MASUKKAN | KELUARAN | |||
| A | B | CI | S | C0 | |
| 0 | 0 | 0 | 0 | 0 | 0 |
| 1 | 0 | 0 | 1 | 1 | 0 |
| 2 | 0 | 1 | 0 | 1 | 0 |
| 3 | 0 | 1 | 1 | 0 | 1 |
| 4 | 1 | 0 | 0 | 1 | 0 |
| 5 | 1 | 0 | 1 | 0 | 1 |
| 6 | 1 | 1 | 0 | 0 | 1 |
| 7 | 1 | 1 | 1 | 1 | 1 |
Oleh karena terdapat dua keluaran,kita akan merancang rangkaian untuk tiap keluaran secara individual.Berdasarkan table diatas dapat kita turunkan ke dalam peta Karnaugh untuk kedua keluaran yang masing-masing tampak pada table di bawah ini.
Tabel Kebenaran dalam bentuk lain :
| C | B | A | A (+) B | S | AB | (A (+) B) C | Cn |
| 0 | 0 | 0 | 0 | 0 | 0 | 0 | 0 |
| 0 | 0 | 1 | 1 | 1 | 0 | 0 | 0 |
| 0 | 1 | 0 | 1 | 1 | 0 | 0 | 0 |
| 0 | 1 | 1 | 0 | 0 | 1 | 0 | 1 |
| 1 | 0 | 0 | 0 | 1 | 0 | 0 | 0 |
| 1 | 0 | 1 | 1 | 0 | 0 | 1 | 1 |
| 1 | 1 | 0 | 1 | 0 | 0 | 1 | 1 |
| 1 | 1 | 1 | 0 | 1 | 1 | 0 | 1 |
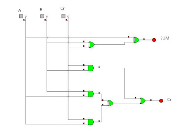
3. Gambar Rangkaian
Rangkaian Penjumlah


0 Response to "Tugas 5 Sistem Digital"
Posting Komentar